

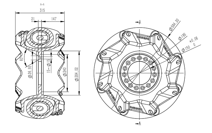
| Diameter: | 584.2mm | Wide: | 300mm |
| Wheels: | 8 | Bearing Type: | Rolling Bearing |
| Load: | 3100Kg | Hub Material: | Carbon Steel |
| Flange Screw: | 15-M14*1.5 Hub Bolt | Screw Pitch Circle Diameter: | 185mm |
| Flange Plate Thinckness: | 20mm | Flange Plate Diameter: | 230mm |
| Flange Cavity Inner diameter: | 269mm | Typical Middle Hole Size: | 140mm |
| weight: | 153Kg |



