

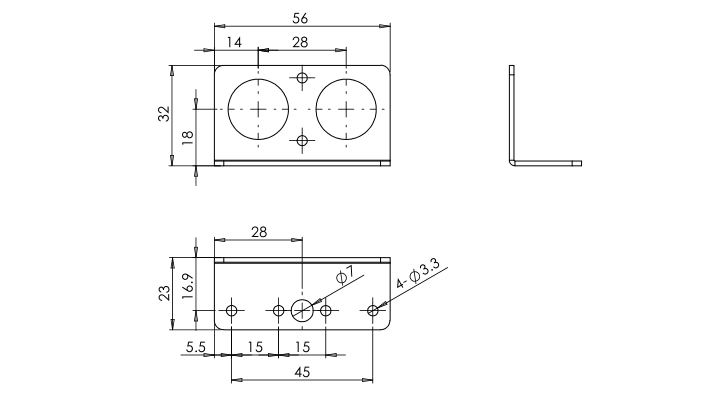
| body structure: | 56×28×32mm |
| Range: | 0.01~6m |
| Each probe maximum range frequency: | 50Hz |
| Sensor type: | Sending and receiving separated |
| Communication Interface: | I2C, UART serial (TTL-level) |
| Input voltage: | DC5V |
| Typical standby current: | 30mA |
| Typical operating current: | 600mA |
| Main parts: | Module X1, mortise mounting bracket X1, Terminal X10, CDx1 |
