

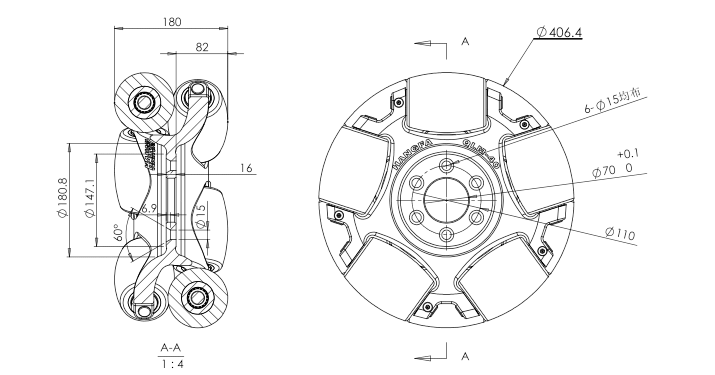
| Diameter: | 406.4(16")mm | Wide: | 180mm |
| Wheels: | 10 | Bearing: | 20 |
| Bearing Type: | heavy duty Rolling Bearing | Wheel Material: | Polyurethane |
| Hub Material: | steel | Hub Surface Treatment: | High-Temperature Painting |
| Mount: | Flange | Typical Middle Hole Size: | 70mm |
| Weight: | 45Kg | Load: | 1200Kg |



