

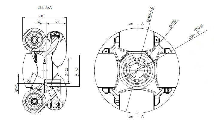
| Diameter: | 406.4mm | Wide: | 210mm |
| Wheels: | 8 | Screw pitch circle diameter: | 100mm |
| Bearing Type: | Rolling Bearing | Flange Screw: | 6-M15 |
| Hub Material: | Carbon Steel | Flange Thickness: | 16mm |
| Flange Diameter: | 123mm | Middle Hole Size: | 70mm |
| Weight: | 53Kg | Load: | 1600Kg |
| Flange Cavity Inner Diameter: | 152mm |



